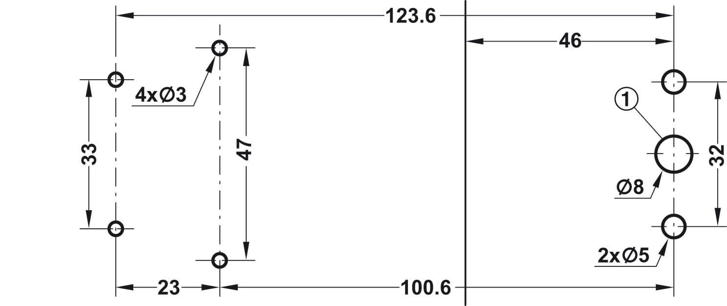
ZŁĄCZE DO STOŁÓW ROZDZIELNYCH 175x60mm HÄFELE 642.42.990

łącznik do blatów stołów

Dostępność: duża ilość
Wysyłka w: 4-8 dni
Dostawa: Cena nie zawiera ewentualnych kosztów płatności sprawdź formy dostawy
Cena: 130,46 zł 130.46
ilość szt.

towar niedostępny

dodaj do przechowalni
Ocena: 0
Producent: HÄFELE
Kod produktu: 642.42.990
Opis

opakowanie

1 lub 20 szt.

materiał

cynkal

powierzchnia

srebrna

wysokość konstrukcyjna

ok. 18 mm mm

montaż

do przykręcania

zastosowanie

łączenie stołów, płyt stołów, krzeseł, łóżek itd.

Koszty dostawy Cena nie zawiera ewentualnych kosztów płatności

Kraj wysyłki:
Opinie o produkcie (0)
do góry
Sklep jest w trybie podglądu
Pokaż pełną wersję strony
Sklep internetowy Shoper.pl